Retour à l'aperçu

Tetra Therm

Tetra Therm Lacta C8

Assortiment
échangeur
Catégorie
Échangeur à de plateau
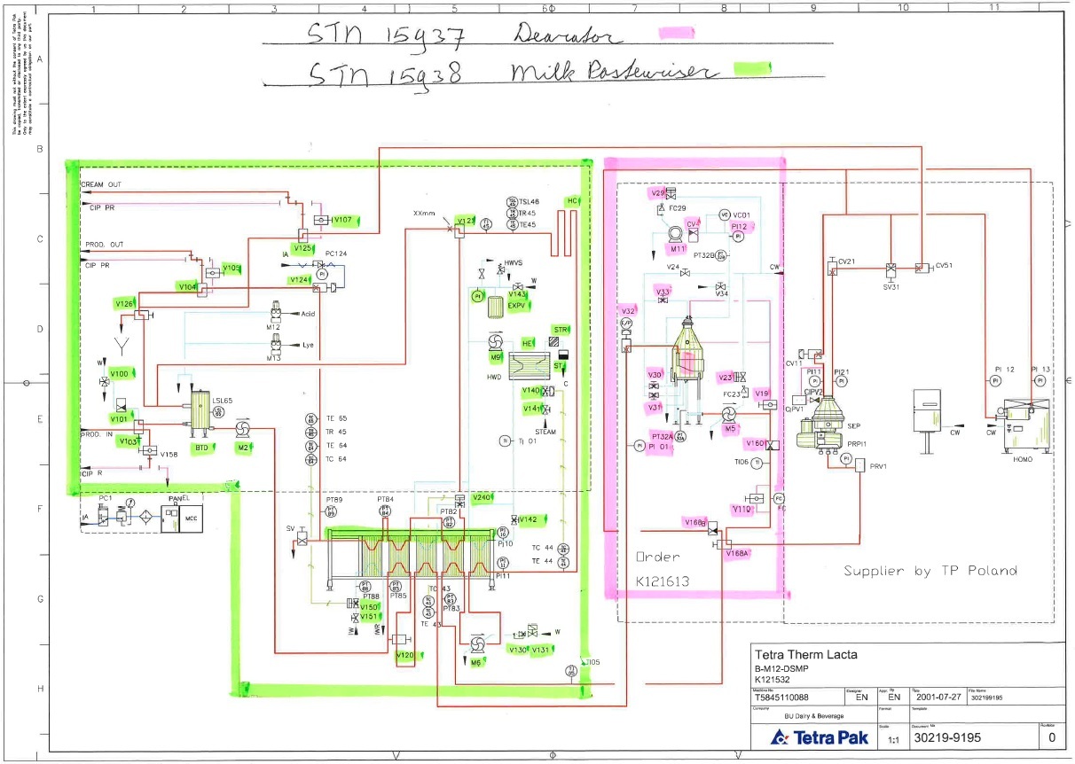
Numéro de stock
STN15938
Type
Lacta C8
Année de construction
2001
Capacité
12.000 liter per hour
Milk pasteuriser skid mounted, Model Tetra Therm lacta with balance tank, pumps (1 x flushed seal), holding and Alfa Laval C8-SR plate heat exchanger, 4 sections, thermal cycle 4-55 (out separator)-65 (out deaerator)-75 (holding)-4°C. P&ID and documentation: electrical diagram included. Dimensions skid: 250x110x300 (lxwxh) cm weight: 605 kg - plate heat exchanger weight: 1.571 kg.

LDFE peut-il m'aider avec l'installation ?

Oui, si vous le souhaitez, nos mécaniciens peuvent installer le matériel dans vos locaux. Nous pouvons également proposer une assistance longue distance en donnant des instructions par appel vidéo ou par télécommande (une fois installée).

Que signifient les conditions « remis à neuf », « bon fonctionnement » et « en l’état » ?

Nous pouvons proposer nos machines dans trois conditions : « remis à neuf », « en bon état de marche » et « en l'état ». « Remis à neuf » fait référence à une révision complète d’une machine d’occasion pour lui donner une seconde vie. Notre procédure standard lors de la remise à neuf complète d’une machine d’occasion est la suivante :

  • Démontage jusqu'au châssis : sablage et pulvérisation des composants en acier
  • Usure de tous les composants : remplacement des roulements, des bagues et des joints
  • Remplacement des composants endommagés ou usés
  • Nouveaux systèmes de câblage et de contrôle (dernières mises à jour)
  • Garantie 6 mois
  • Fourniture de pièces détachées garantie 5 ans
  • En option : supervision de la mise en service et formation des opérateurs
  • En option : marquage CE
  • Facultatif : modifications personnalisées

L’achat d’une machine « en bon état de fonctionnement » est une solution moins coûteuse. Dans cet état, nous ne révisons pas complètement la machine, mais effectuons les travaux nécessaires pour la remettre en état de marche. La machine est testée dans notre atelier et les composants ne sont remplacés qu'en cas de besoin. Ce prix est toujours soumis à conditions, car il arrive parfois, lors des tests, de constater qu'il s'agit d'un défaut coûteux. Si tel est le cas, l'acheteur reçoit un devis pour les frais supplémentaires et a également la possibilité d'annuler l'achat.

Les machines sont presque toujours vendues départ usine et peuvent être déployées dans le même état dans lequel nous les avons achetées : « telles quelles ». Cependant, la machine n'a pas été inspectée par nos soins et il n'y a aucune garantie quant à son état actuel. Nous recommandons toujours qu’une machine soit inspectée avant l’achat et de l’acheter « telle quelle » uniquement si vous avez une connaissance approfondie des machines. Nous pouvons toujours vous dire si nous avons acheté la machine en état de marche ou si elle a déjà été mise hors service. La documentation n'est pas toujours incluse et ne peut être fournie que si elle était présente au moment de l'achat.

Puis-je faire confiance aux machines d’occasion ?

Nous nous occupons de machines d'occasion depuis 1996, au même endroit où nous avons démarré notre activité et nous grandissons chaque année. Si un (petit) problème survient, nous essayons également de trouver une solution avec nos clients. Nous avons toujours été un partenaire fiable grâce à notre expérience dans le domaine des machines d'occasion.

LDFE peut-il également proposer de nouvelles machines ?

Oui, en particulier les équipements de transformation tels que les pasteurisateurs, les équipements de standardisation, les unités CIP, les unités Fromage UHT, etc. Une forme hybride de neuf et de reconstruction est également possible.

Contactez-nous!

Détails du contact

+31(0)348-558080
info@lekkerkerker.nl

Adresse

Handelsweg 4
3411 NZ Lopik, The Netherlands

Horaires d'ouvertures

Du lundi au jeudi: 07.30 - 17.00 UTC+1
Ven: 07.30 - 16.30 UTC+1